Zone1 Recalls of vehicles..

beagle9

Diamond Member
Joined
Nov 28, 2011
Messages
51,833
Reaction score
21,076
Points
2,290
Why are companies like GM and Dodge, and Ford (the so called big three), allowed to totally screw the consumer over by 1st "charging exorbitant prices" for the total junk they push out the door ?????

The prices for these junks are way out of line with the ratios or balancing of people's financial well beings (their wallets), because sadly when the consumer's are fooled into buying these over technicalized eye candy spruced up junk's (that are masqueraded as the next best thing since the American apple pie), then that's when they as consumer's begin to fall especially when their reps that they had elected to oversee such thing's don't do their jobs.

I'm mostly talking about these super high priced very flawed trucks that are being sold for 70 and 80 thousand dollars, only to find out later that the motors and transmissions are flawed so bad that one is lucky if something doesn't self destruct in a little over 100,000 miles.... It's all due to engineering defects that are allowed to fester for sometimes even a decade before concrete changes are made.

Dodge with it's 5.7 Hemi tick is one example, Ford with it's 6.0 diesel, Chevy or GM with it's so called ECO tech motors that are engineered within the 5.3s and 6.2s.

On and on it all goes while destroying Americans hard earned wealth at a ridiculous pace, and then sadly there is very little responsibility or accountability held against these wealthy giant's, and this whether it be by what should be a forced recall on obvious flawed or defected engineering systems and their parts or on other incompetence being engineered into these products that should have never been mistakenly added provided the history and tracking knowledge that these product maker's have at their disposal.

Corrections should be forced by litigation to be brought by the federal government in which aims to protect the American consumer by initiating lawsuits that are brought against the product maker's for the purpose of making them do more testing and research before releasing product's onto the public like they are doing.

Flawed products that end up destroying the consumer's wallet, their confidence, and their trust in the product makers ability to guarantee or stand by it's product's, and especially after charging ridiculous prices or being allowed to charge such ridiculous prices for their pigs in lipstick should be ashamed of themselves..... Why are they allowed to sell or continue to sell to their unsuspecting victims these flawed systems or products for sometimes a decade before some better products arrive ???

It should be expected by us that these corporation's will someday be brought back into line or fixed.

It's not like they are clueless for longer than a year or two after the problem's begin to show up in a big way, yet we'll see the problem's sometimes span a decade before being supposedly worked out.

Youtube has countless video's that show mechanics and consumer's trying to deal with the fall out while in the same video's they talk about the product maker's as if they are untouchable or unaccountable to the American consumer on some of the worst failures out here.

There should be no excuse for a company with year's of knowledge and a history of building trucks and cars to purposely operate at greed lightening speeds that end up leaving piles of destruction that can be seen from space if it were to pile up in a heep these days.

Recalls are supposedly based on safety issue's only, but why isn't the federal consumer protection agency doing it's job to protect the American consumer from becoming guinea pigs for major corporations and their playing with us like a cat plays with a mouse ??? The government in true representation of the consumer, should be making these product makers of big corporations to once again be required to test and field their products extensively before being released upon the American consumer, otherwise a consumer for whom is a trusted purchaser of their products with their hard earned money.

MAGA !!!!

MAPGA- (make American products great again)
 
Last edited:
All true. It amazes me that these products are manufactured for years and the problems are never addressed. I ran a auto shop in the 1990's and we would see the same problems over and over.

All intermediate GM cars came with rear calipers that seized up because the pins were made of steel. They would rust and then...there was a problem.

Now, I am talking about seeing dozens of these cars in my shop, most of them had as little as 20,000 miles on them. I had owners tell me that GM should cover the cost. They never did.

And don't get me started on Chrysler products mini vans with the transmission problems.
 
All true. It amazes me that these products are manufactured for years and the problems are never addressed. I ran a auto shop in the 1990's and we would see the same problems over and over.

All intermediate GM cars came with rear calipers that seized up because the pins were made of steel. They would rust and then...there was a problem.

Now, I am talking about seeing dozens of these cars in my shop, most of them had as little as 20,000 miles on them. I had owners tell me that GM should cover the cost. They never did.

And don't get me started on Chrysler products mini vans with the transmission problems.
Thanks for your valuable input.. It's time for change, and if we truly are heading back into the right direction with government representation, then hopefully we will see some of these issues addressed for us. We know that perfection isn't obtainable, but with their knowledge files and history of making product's that work, then they have no excuse for what they've done to us over these most modern and recent decades.

Greed had taken hold, and the protection barriers were obliterated by lobbyist who operated on their behalf undoubtedly.

Time for a change, and time to fix this for the American consumer's.
 
I think you are unfairly excoriating American cars in relation to imports. Many foreign cars are so bad that they can't be sold in the US (e.g., French, British and Italian). In addition, the "good" cars sold by German, Japanese and Korean companies tend to be their top of the line models, while lesser models are reserved for other markets.

On the other hand, American companies provide a full range of choices to their domestic market. People can buy whatever they want, and there are plenty of consumer protection laws in place.

However, large American pickup trucks have enjoyed an undeserved advantage due to a 25% tariff on their foreign competitors. As a result, they have been overpriced relative to the quality they have offered.
 
All intermediate GM cars came with rear calipers that seized up because the pins were made of steel.
I had the calipers off of my old '90 beater yesterday, also GM.

Long story short, and obviously off-topic, but your thought there reminded me that the last time I did pads I forgot to install the bias springs on the front pads, so they rattled. I rarely drive the car so only noticed it recently. So that's why I was messing around with it, they were still in the box on the shelf, so I installed em.

Anyway, I pulled the rear calipers to just to double check my previous work back there as well.

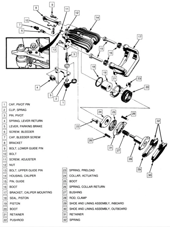
Those guide pins (15) really do need cleaned up, but then I can't really figure out how those pins would move anyway, necessitating cleaning them up and lubing them.

The caliper is stationary, bolted to the caliper bracket and the caliper bracket is bolted down.

I can't see where anything actually moves except for the caliper piston.

Screen Shot 71.webp
 
Last edited:
I had the calipers off of my old '90 beater yesterday, also GM.

Long story short, and obviously off-topic, but your thought there reminded me that the last time I did pads I forgot to install the bias springs on the front pads, so they rattled. I rarely drive the car so only noticed it recently. So that's why I was messing around with it, they were still in the box on the shelf, so I installed em.

Anyway, I pulled the rear calipers to just to double check my previous work back there as well.

Those guide pins (15) really do need cleaned up, but then I can't really figure out how those pins would move anyway, necessitating cleaning them up and lubing them.

The caliper is stationary, bolted to the caliper bracket and the caliper bracket is bolted down.

I can't see where anything actually moves except for the caliper piston.

View attachment 1150627
This is sorta like the kit we used to fix tehm.

 
Blame past EPA mandates for a lot of the useless technology and software which adds thousands in cost and creates far more failure points.
Every brand is having trouble with their new twin turbo lawnmower engines that are replacing reliable v8 engines and many brands are experiencing problems with the trend to 8-10 speed transmissions. Even Toyota's new trucks are rolling garbage compared to the last generation of reliable trucks ending in 2021.
All to save a couple measly miles per gallon so the manufacturer doesn't get levied millions in fines.

Limp mode for diesel engines if low on DEF has just been modified by the EPA to better reflect reality by the Trump administration along with the mandatory and annoying stop/start crap.

The MPG fines are also being curtailed and Ram announced the return of the Hemi after dismal sales of the TT6.
Get government and it's added costs out of my ride.
 
Blame past EPA mandates for a lot of the useless technology and software which adds thousands in cost and creates far more failure points.
Every brand is having trouble with their new twin turbo lawnmower engines that are replacing reliable v8 engines and many brands are experiencing problems with the trend to 8-10 speed transmissions. Even Toyota's new trucks are rolling garbage compared to the last generation of reliable trucks ending in 2021.
All to save a couple measly miles per gallon so the manufacturer doesn't get levied millions in fines.

Limp mode for diesel engines if low on DEF has just been modified by the EPA to better reflect reality by the Trump administration along with the mandatory and annoying stop/start crap.

The MPG fines are also being curtailed and Ram announced the return of the Hemi after dismal sales of the TT6.
Get government and it's added costs out of my ride.
I had heard that current pick up trucks are so big because they need to be to fit some regulation about MPG.
 
Dodge with it's 5.7 Hemi tick is one example
Had that issue in my old Hemi Grand Cherokee.
It becomes stuck lifters that destroy the cam and send metal debris through the whole engine.
Many of the Chrysler forums blame the Cylinder deactivation system and Chevy has that same issue with cylinder deactivation.
I bought a V8, not a four popper.
Luckily the $11,000 engine was covered under a lifetime, but a lot of folks were burned.

Thankfully I bought a 2019 Tundra 5.7 and it doesn't have that system and only loses about a mile per gallon in comparison to the Hemi.
I would not buy the new Tundra. Purposefully avoided it.
 
I had heard that current pick up trucks are so big because they need to be to fit some regulation about MPG.
Many of the Twin Turbo six engines are available with the option to add a hybrid drive packed between the engine and transmission.
They do deliver slighty better MPG, more HP and torque, but also add a lot more tech to fail and more bulk and weight. The also run hotter, typically requiring a cooling system equivalent to an 8 cyl.
I am still skeptical these new engines and transmissions will hold up long term when people are towing toys and campers over the years.
I think trucks are also bigger, because Americans like the luxury comfort in a 4x4.

I got a CrewMax cab, and it is sweet inside.

Zeldin is currently rolling back a lot of those mandates and EV incentives.
 
Last edited:
I think you are unfairly excoriating American cars in relation to imports. Many foreign cars are so bad that they can't be sold in the US (e.g., French, British and Italian). In addition, the "good" cars sold by German, Japanese and Korean companies tend to be their top of the line models, while lesser models are reserved for other markets.

On the other hand, American companies provide a full range of choices to their domestic market. People can buy whatever they want, and there are plenty of consumer protection laws in place.

However, large American pickup trucks have enjoyed an undeserved advantage due to a 25% tariff on their foreign competitors. As a result, they have been overpriced relative to the quality they have offered.
Well I don't worry about imports because I drive American brands. So my beef is with American companies that want to charge exorbitant prices for defected product's that in many cases have been outsourced in order to cut labor cost of being built here in America. Americans are just tired of being fleeced and disrespected as consumer's when major components fail before an exceptable time period passes, and then no one wants to make things right afterwards.

Lower the prices for the non-quality product's, and maybe people won't be complaining as bad. Simple !!

No way a pickup truck should cost over $40,000 dollar's, and I don't care what brand it is. It's a truck folks, and soon as it is driven off of the lot it drops in huge value to one's amazement, and then comes the defects that plague it for sometimes half of it's life.
 
I had the calipers off of my old '90 beater yesterday, also GM.

Long story short, and obviously off-topic, but your thought there reminded me that the last time I did pads I forgot to install the bias springs on the front pads, so they rattled. I rarely drive the car so only noticed it recently. So that's why I was messing around with it, they were still in the box on the shelf, so I installed em.

Anyway, I pulled the rear calipers to just to double check my previous work back there as well.

Those guide pins (15) really do need cleaned up, but then I can't really figure out how those pins would move anyway, necessitating cleaning them up and lubing them.

The caliper is stationary, bolted to the caliper bracket and the caliper bracket is bolted down.

I can't see where anything actually moves except for the caliper piston.

View attachment 1150627
Never lubed the guide pins before. Guess one can, but I don't think that I ever have.
 
Why are companies like GM and Dodge, and Ford (the so called big three), allowed to totally screw the consumer over by 1st "charging exorbitant prices" for the total junk they push out the door ?????

The prices for these junks are way out of line with the ratios or balancing of people's financial well beings (their wallets), because sadly when the consumer's are fooled into buying these over technicalized eye candy spruced up junk's (that are masqueraded as the next best thing since the American apple pie), then that's when they as consumer's begin to fall especially when their reps that they had elected to oversee such thing's don't do their jobs.

I'm mostly talking about these super high priced very flawed trucks that are being sold for 70 and 80 thousand dollars, only to find out later that the motors and transmissions are flawed so bad that one is lucky if something doesn't self destruct in a little over 100,000 miles.... It's all due to engineering defects that are allowed to fester for sometimes even a decade before concrete changes are made.

Dodge with it's 5.7 Hemi tick is one example, Ford with it's 6.0 diesel, Chevy or GM with it's so called ECO tech motors that are engineered within the 5.3s and 6.2s.

On and on it all goes while destroying Americans hard earned wealth at a ridiculous pace, and then sadly there is very little responsibility or accountability held against these wealthy giant's, and this whether it be by what should be a forced recall on obvious flawed or defected engineering systems and their parts or on other incompetence being engineered into these products that should have never been mistakenly added provided the history and tracking knowledge that these product maker's have at their disposal.

Corrections should be forced by litigation to be brought by the federal government in which aims to protect the American consumer by initiating lawsuits that are brought against the product maker's for the purpose of making them do more testing and research before releasing product's onto the public like they are doing.

Flawed products that end up destroying the consumer's wallet, their confidence, and their trust in the product makers ability to guarantee or stand by it's product's, and especially after charging ridiculous prices or being allowed to charge such ridiculous prices for their pigs in lipstick should be ashamed of themselves..... Why are they allowed to sell or continue to sell to their unsuspecting victims these flawed systems or products for sometimes a decade before some better products arrive ???

It should be expected by us that these corporation's will someday be brought back into line or fixed.

It's not like they are clueless for longer than a year or two after the problem's begin to show up in a big way, yet we'll see the problem's sometimes span a decade before being supposedly worked out.

Youtube has countless video's that show mechanics and consumer's trying to deal with the fall out while in the same video's they talk about the product maker's as if they are untouchable or unaccountable to the American consumer on some of the worst failures out here.

There should be no excuse for a company with year's of knowledge and a history of building trucks and cars to purposely operate at greed lightening speeds that end up leaving piles of destruction that can be seen from space if it were to pile up in a heep these days.

Recalls are supposedly based on safety issue's only, but why isn't the federal consumer protection agency doing it's job to protect the American consumer from becoming guinea pigs for major corporations and their playing with us like a cat plays with a mouse ??? The government in true representation of the consumer, should be making these product makers of big corporations to once again be required to test and field their products extensively before being released upon the American consumer, otherwise a consumer for whom is a trusted purchaser of their products with their hard earned money.

MAGA !!!!

MAPGA- (make American products great again)
They are allowed because people will pay for the vehicles. Supply and demand. Ask American Motors and Packard what happens when you get a bad reputation.
 
Why are companies like GM and Dodge, and Ford (the so called big three), allowed to totally screw the consumer over by 1st "charging exorbitant prices" for the total junk they push out the door ?

Ummmm because people buy them?
 
Well I don't worry about imports because I drive American brands. So my beef is with American companies that want to charge exorbitant prices for defected product's that in many cases have been outsourced in order to cut labor cost of being built here in America. Americans are just tired of being fleeced and disrespected as consumer's when major components fail before an exceptable time period passes, and then no one wants to make things right afterwards.

Lower the prices for the non-quality product's, and maybe people won't be complaining as bad. Simple !!

No way a pickup truck should cost over $40,000 dollar's, and I don't care what brand it is. It's a truck folks, and soon as it is driven off of the lot it drops in huge value to one's amazement, and then comes the defects that plague it for sometimes half of it's life.
Most people who own trucks never put anything heavier tha a few bags of mulch in the bed. I’ve always preferred mini-trucks to full sized models. Even the Ford Ranger is too large for my tastes and needs. I was going to get a Maverick until they added fifty percent to the price, at twenty grand, it was a good value, at thirty it’s overpriced.
 
Last edited:
I use the shit out of my full size truck.
Carries my work tools all week, then pulls either the boat or camper on weekends. Snowmobile trailer in winter.

I do not regret my decision to avoid the big three, and it's just as American, built in Texas, engines in Indiana and most parts produced at Toyota's other 20 or so domestic manufacturing facilities.

But for those needing to upgrade to larger towing capacity who need an HD or diesel, the big three are the only ones selling them.

I see large pickups towing shit all the time.
From large travel trailers to work trailers.
Even ice fishing houses are popular here that rival the nicest rv campers. Need that 4x4 to tow that crap in winter on a frozen lake.
There will always be a market for them, as they are America's current work horse for the trades and toy haulers for the weekend.

Those HD trucks run high buck because of upgraded suspension, larger alternators, heavy duty brakes, built in trailer brake controllers with anti sway software and typically an engine over 6.2 liter. Then all the added comforts.
The trucks of today are definitely not your grandparents one wheel wonder old Chevy with maybe a limited slip differential.
 
15th post
Blame past EPA mandates for a lot of the useless technology and software which adds thousands in cost and creates far more failure points.
Every brand is having trouble with their new twin turbo lawnmower engines that are replacing reliable v8 engines and many brands are experiencing problems with the trend to 8-10 speed transmissions. Even Toyota's new trucks are rolling garbage compared to the last generation of reliable trucks ending in 2021.
All to save a couple measly miles per gallon so the manufacturer doesn't get levied millions in fines.

Limp mode for diesel engines if low on DEF has just been modified by the EPA to better reflect reality by the Trump administration along with the mandatory and annoying stop/start crap.

The MPG fines are also being curtailed and Ram announced the return of the Hemi after dismal sales of the TT6.
Get government and it's added costs out of my ride.
I totally agree that the government has created every bit of this stuff, and thank God for Trump intervening on our part, otherwise in order to help fix this thing, and to return some sanity and common sense back to the manufacturing of reliable vehicle's once again. Whew, and especially with the cost of these vehicle's.

Why is the cost of these vehicles so high anyway ?? Most vehicle's today are being built with technology that looks and acts more expensive, but in reality the technology or raw materials used are nothing but eye candy that doesn't pass the reliability factor, and this in comparison to the more reliable technology of the past.

I'd be willing to say that the Democrats are the cause of it all, because everything they touch turns to chit.
 


I think another super important factor that is being over looked, and that is water temps being run in these vehicle's.

195° is hot enough, but in the attempt to run these engines hotter for fuel efficiency and emissions control, the parts begin to breakdown due to the oil being beaten up badly by higher engine water temperatures.

210° IMHO is way to high of a temperature if the engine's aren't built with engineering and quality of part's in order to withstand the violent cycles of an engine that runs in the manor for which it is designed to run.

Lower the temps a little, and save the motors, and yes one might lose a little on the MPG, but hey it's definitely worth it if it saves the motor.
 
Have thete not bern cuts to agencies that help consumers? No help on the way
 
Back
Top Bottom