- Thread starter
- #441
Still, I wonder if it might be worthwhile to cut the first stage to 2 or 3 volts? Reason? I rather like a device which utilizes the full range of its controls; rather than have half the range of the pot "dead room" where nothing good happens, being able to utilize most or all of the control makes the adjustment more sensitive by stretching the adjustment range out. And it might make some of the circuit happier not being driven so hard.
Yes. The player has to understand how the amp works. There's some complexity in it, it's not for everyone. But I do like the idea of simplifying. Also keeping things intuitive. For example cathode bypass caps and coupling caps => bass boost and bass cut.
But here's the problem: all the switching changes the volume around. For example, in changing a coupling cap from .02 to .002 you lose half your volume. It's impossible to compensate for every conceivable way the volume might change, so we provide the volume control and leave it up to the user. Some settings will require a different position than others.
Being a KT-88 amp, it's a lot about the bass. You don't want to just cut the bass out, if you're a bass player you need the bass and if you're a guitar player you need the area "just above" the bass, where the thump is maybe 150 hz (call it lower midrange). When you keep this area of the bass frequency spectrum, the voicing on the top end needs to change to compensate for the extra lows. In an EL34 amp you don't get a lot of low end so you don't have to worry about it, but in a KT-88 amp you can hear it.
The good news is, I got rid of 4 knobs today, by eliminating unneeded functionality. The bad news is, there are holes where the knobs used to be.
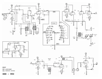
Do you mean value of capacitance or merely brand or type of capacitor (such as polystyrene vs. polypropylene)? Is there no way you can direct couple any of these stages or do none of the biases line up?
DC coupling is tricky. It would be the best, in theory, but in real life requires 1% tolerances and careful adjustment, and sometimes even additional (negative) supply voltages.

But it would be great if someday, you could get some big rock guitarist to try your amp and do a video on it. This thing sounds like it has potential to outclass and outplay a lot of the amps out there in terms of power and versatility.